بكالوريا تجريبية في الهندسة الكهربائية
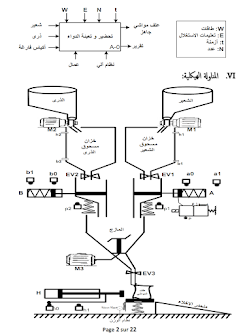
الموضوع: نظام آلي لتحضير وتعبئة أعلاف المواشي
ملاحظة:
1- قد يكون النظام الآلي مشابه لبعض الأنظمة الأخرى المطروحة من طرف بعض الزملاء الأساتذة في تخصص الهندسة الكهربائية، لكن الأكيد أن المحتوى قد يختلف خاصة ما تعلق بالانجازات التكنولوجية و طريقة طرح الأسئلة.
2- الموضوع عبارة عن نظام واحد و لكن بصفحتين مختلفتين للأسئلة للاجابة على واحدة منهم على الخيار.
3- قد يحمل الموضوع بعض الأخطاء أو الهفوات، وذلك لأن معد الموضوع هو انسان و كل انسان معرض للخطأ. لذلك ان كان هناك أي خطأ أو غموض في الموضوع فلا تتردد في طرحه في خانة التعليقات أسفل الموضوع.
في مايلي الموضوع على شكل صور، وبعدها نقدم لكم الموضوع على شكل pdf و word
روابط
تحميل الموضوع
التحميل على شكل
PDF من هنا أو من هنا
طريقة التحميل من موقع adfly لمن تعذر عليه التحميل
طريقة التحميل من موقع Gulfup لمن
لم يستطع التحميل.















اريد الحل من فضلك
ردحذفالحل من فضلك
حذف